Образовательный проект «SnakeProject» Михаила Козлова

Навигация

⇒ Мото ⇐

CISCO

Voice(Asterisk\Cisco)

Microsoft

Powershell

Python

SQL\T-SQL

FreeBSD and Nix

Общая

WEB Разработка

ORACLE SQL \ JAVA

Стрельба, пневматика, оружие

Саморазвитие и психология


Мотоэлектрика - электрооборудование мотоцикла Часть 2 Потребители


 

Мотоэлектрика - электрооборудование мотоцикла Часть 2 Потребители


----------------------------------------Дисклеймер----------------------------------------
Эта серия статей - симбиоз пары десятков статей и прочей информации с просторов интернета

Автор сводил для себя в единое целое информацию по электрике, чем и делится


В этих статьях будет кратко рассказано об электрооборудовании мотоцикла
Что и для чего устанавливается, как работает
Автор не претендует на полное раскрытие темы, предоставляется базис

Будут показано и собрано несколько простых электрических схем


Электрооборудование мотоцикла делится на источники и потребители электроэнергии

Источниками являются аккумулятор и генератор

Потребителями - оброрудование, преобразующее электрическую энергию в любую другую
Например фары, стартер, электроподъемник стекла и т.д.
-------------------------------------------------------------------------------------------


1. - Катушка зажигания

По сути - трансформатор
Состоит из стального сердечника, низковольтной первичной обмотки, высоковольтной вторичной обмотки

Катушки разных типов не взаимозаменяемые, должны использоваться со блоком управления двигателем


 
Топливо-воздушная смесь в цилиндре поджигается электрической дугой в ~30 кВ, пробегающей между электродами свечи
Сам высоковольтный разряд приходит на свечи через высоковольтные провода с катушек зажигания
Если через первичную обмотку катушки зажигания пропустить ток, сердечник, на котором она намотана, намагнитится
Стоит отключить питание, и исчезающее магнитное поле сердечника индуцирует напряжение во вторичной обмотке катушки
Витков провода в ней в сотни раз больше, чем в первичной, значит, и на выходе уже не десятки, а тысячи вольт


Катушка кулачкового и транзисторного (TCI) зажигания имеет три вывода:
Минус - первичной обмотки, часто обозначен цифрой 1, подключен к прерывателю (кулачок, коммутатор, мозги)
Плюс - первичной и вторичной обмоток, соединены на клемме 15, сюда подключается плюс с замка или с предохранителя
Высоковольтный вторичной обмотки - сюда подключается высоковольтный провод на свечу

Transistor Controlled Ignition - зажигание, контролируемое транзистором
Место механики занял электромагнитный датчик - катушка на магнитном сердечнике
Появление сигнала в ней вызывает прохождение выступа на вращаемой коленвалом

При замыкании на массу - сердечник насыщается, катушка - заряжается
После разрывания контакта - катушка разряжается через вторичную обмотку на свечу
Напряжение искры достигает около 30000 вольт
На заряд катушки требуется некоторое время, что бы она успела зарядиться на высоких оборотах
У данной катушки сильная и долгая искра, хорошо воспламеняющая смесь
Сердечник должен иметь большую массу, ввиду этого катушка выходит довольно большой и тяжелой
В основном применяется на тяжелые мотоциклы с мощными генераторами
На многие рядные четверки ставят две двухвыводные катушки
У них два высоковольтных провода (начало и конец вторичной обмотки), а искра бьет сразу в два цилиндра
При этом в один цилиндр в фазе выпуска, искра бьет в холостую
 

Катушка тиристорного зажигания (CDI, DC-CDI)

Система зажигания без дополнительного источника тока называется Capacitor Discharge Ignition (CDI)
Capacitor Discharge Ignition - зажигание, использующее разряд конденсатора

Принцип работы:

На статоре генератора имеются две катушки (помимо питающих осветительную сеть)

Первая, когда мимо нее пробегает магнит ротора, вырабатывает электрический ток (около 160 В)
Этот ток заряжает конденсатор

Вторая - управляющая, она играет роль датчика, запускающего искрообразование
Стоит магниту пройти мимо ее сердечника, в обмотке появляется электрический импульс
Этот импульс открывает тиристор блока управления
Тиристор похож на обычный выключатель без контактов - на их месте управляемый электротоком полупроводник

Накопившийся в конденсаторе заряд уходит в первичную обмотку катушки зажигания
Первичная обмотка катушки благодаря эффекту электромагнитной индукции:
1) Возбуждает ток во вторичной обмотке
2) Свеча получает около 20-40 кВ

По пути от заряжающей катушки к конденсатору ток выпрямляется диодом
Маховичный генератор вырабатывает переменное напряжение
Мимо катушки поочередно проходят то север, то юг магнита, ток синхронно меняет свою полярность
Конденсатор накапливает заряд только при подаче постоянного напряжения
Описанная система гениально проста и достаточно надежна

Недостатки:
При малых оборотах коленвала появляется нестабильность искрообразования
Как следствие - нестабильная работа ДВС
Напряжение на конденсаторе, значит и вторичный разряд заметно падают
Вызвано это низкой скоростью прохождения магнита мимо заряжающей катушки

Имеет три вывода:
Клемма с мозгов
Высоковольтный на свечу
Клемма на массу, часто заменяет выходящий из тела катушки сердечник, обязательно прикрутить к раме для контакта

Такая катушка не заряжается
Вместо этого в ее первичную обмотку мозгами дается импульс около 100 вольт
За счет этого уменьшается масса сердечника, количество и толщина витков первичной обмотки
Это позволяет использовать катушку на высокооборотистых моторах, где обычная катушка зарядиться не успеет
Катушка легче, компактнее и меньше потребляет электроэнергии
Система CDI вообще не зависит от сети мотоцикла, может работать без батареи
Искра имеет более высокое напряжение, короткая и тонкая, хорошо пробивает нагар и больший зазор в свечах


Избавление от недостатков CDI - модифицированная система DC-CDI
DC-CDI - зажигание, использующее разряд конденсатора и работающее от постоянного тока

Принцип работы:
В этой системе конденсатор заряжается током, поступающим не от собственной катушки генератора, а от АКБ
Что позволяет стабилизировать напряжение и при любых оборотах коленвала поддерживать искру одинаково мощной

Сложнее и дороже в производстве, чем CDI
Напряжение, бортсети (12-14 В), мало для полноценного заряда конденсатора
Поэтому напряжение поднимает инвертор (электронный модуль)

Принцип действия инвертора:
Постоянный ток преобразуется в переменный, затем трансформируется (увеличивается до 300 В)
Снова выпрямляется и только тогда поступает к конденсатору
Более высокое первичное напряжение позволило уменьшить в размерах катушку зажигания

Объяснение:
Чем выше напряжение в первичной обмотке, тем меньшим сердечником (в сечении) можно оснащать катушку
Она умещается даже в свечном колпачке
Это позволяет исключить из цепи зажигания весьма проблемный элемент - высоковольтный провод


2. - Блок управления двигателем

Называют коммутатором зажигания, блоком управления двигателя, мозгами

Его задача - обработать сигнал от датчика(ов) положения коленвала и вовремя послать сигнал катушке
Могут обрабатывать сигнал датчика положения дроссельной заслонки, датчика нейтрали, температуры воздуха и т.п.

Одной из задач является изменение угла опережения зажигания в зависимости от оборотов
Тут так-же может быть множество вариантов:
Переключение между ранними и поздним датчиками при превышении порога оборотов
Считывание записанной в память трехмерной карты зажигания в зависимости от внешних факторов
И еще множество вариантов


TCI - Транзисторное зажигание

Сигнал датчика обрабатывается блоком и выдается сигнал транзистору посадить катушку заряжаться на массу
Когда подходит момент зажигания, транзистор отпускает катушку, та разряжается, проскакивает искра и в цикл
Ссигнала с датчика долго нет - мозг считает двигатель - остановлен, выключает катушку чтоб не тратить электричество
Легко сломать сняв клемму с аккумулятора на заведенном двигателе


CDI - Конденсаторное или тиристорное зажигание

Используется с генератором без обмотки возбуждения с магнитом
В составе обмоток генератора есть одна-две зарядные катушки, их легко узнать - т.к. они изолированы

При обороте коленвала кикстартером, стартером, двигателем - катушка вырабатывает ток напряжением около 100 вольт

Этот ток заряжает конденсатор в блоке, блок обрабатывает сигнал с датчика, когда приходит время - открывает тиристор
Конденсатор разряжается через тиристор на катушку зажигания, проскакивает искра, тиристор закрывается
Конденсатор заряжается, мозг ждет сигнала от датчика

Блок питается от той же зарядной катушки, данный тип зажигания не зависит от сети, может работать без батареи
Используется на большинстве легких мотоциклах, квадроциклах и т.п.
Хорошо работает на малых и высоких оборотах
На высоких оборотах зарядная катушка вырабатывает слишком высокое напряжение


DC-CDI - Конденсаторное или тиристорное зажигание с преобразователем

Отличие от CDI:
Вместо зарядной катушки используется преобразователь (инвертор)

Инвертор преобразует 12 вольт сети в высокочастотный переменный ток повышенного напряжения для заряда конденсатора
Это делает зажигание независимым от оборотов, но без аккумулятора уже никак не обойтись

Ставится в основном на спортивные мотоциклы

Почти все мозги имеют защиту, не дающую завести двигатель с подножкой на передаче, не передаче без сцепления и т.п.

Часто мотоцикл электронно (искусственно) душится мозгами, например на определенных передачах (отсечка оборотов)


3. - Датчик положения коленвала (неверно называемый датчиком Холла)

Датчик Холла работает на принципе проводимости полупроводника в магнитном поле
К нему подводится питание
Когда датчик попадает в магнитное поле, на сигнальном проводе появляется напряжение близкое к напряжению питания
В остальных случаях напряжение близко к нулю

На датчик Холла приходит три провода - плюс, масса и сигнал

Обычно датчик имеет свой магнит, поле которого воздействует на датчик посредством вводимой в щель стальной шторкой
Такие датчики ставят на автомобили где нет паразитного магнитного поля
В мотоцикле же рядом с магнитом и катушками генератора он сойдет с ума
Поэтому в мотоцикле стоят более простые индуктивные датчики


Конструкция индуктивного датчика довольно проста

На стальной сердечник намотана катушка, а сердечник может быть с магнитом

Принцип работы:
Если пронести мимо сердечника магнит, либо сталь, если сердечник с магнитом, то в катушке индуцируется ток
Этот ток (импульс, напряжение резко подскакивает с нуля в плюс, затем возвращается на ноль) регистрируется мозгом
Получается два пика, либо множество, но два отличаются амплитудой или периодом
Мозг чаще регистрирует обратный фронт положительного пика
Когда напряжение с максимального значения начинает путь через ноль в минус, как самый точный показатель
  
Датчик закреплен на картере, мимо него проходит метка
Это может быть магнит на маховике или стальная звездочка на шейке коленвала
В зависимости от мозгов, датчиков может быть несколько, метка может быть одна или несколько
Датчик не требует питания


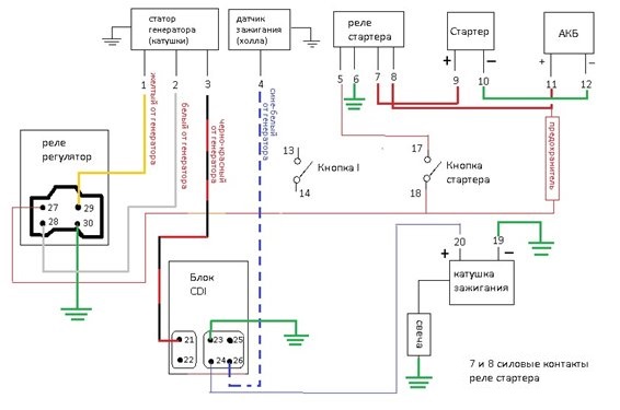
4. - Стартер

Кикстартер, электростартер и т.д.
По сути электромотор постоянного тока, чаще всего со смешанным возбуждением (для большего момента)

Внутри имеет обмотку ротора, статора и 2-4 щетки

Наружу выходит изолированный от корпуса плюсовой контакт в виде болта, соединен толстым проводом к реле стартера
Минусовой контакт через корпус стартера идет на массу

В отличии от автомобильного стартера, на мотоциклах отсутствует втягивающее реле
Оно отключает передачу момента на двигатель и подачу тока на сам стартер
Его функцию выполняет обгонная муфта и реле стартера.


5. - Реле стартера и реле контроля стартера

Т.к. стартер потребляет огромный ток, любая кнопка и обычные провода к ней сгорят
Для этого стартер через мощное реле подключают напрямую к аккумулятору толстым проводом

На корпус реле довольно часто помещают главный предохранитель
Этот предохранитель питает всю электрику мотоцикла от клеммы идущей от батареи (чтобы не делать две плюсовые клеммы)

В зависимости от электросхемы, варианты подключения:
Две силовые клеммы (обычно в виде болтов) на аккумулятор и на стартер
Минус управляющий на массу (в некоторых случаях через датчик подножки, нейтрали и сцепления)
Плюс управляющий через кнопку стартера и замок зажигания на плюс сети мотоцикла или на контакт реле контроля стартера
Вариантов множество


Реле контроля стартера

Может не быть в схеме
Его цель - не допустить включения реле стартера и самого стартера в недопустимых случаях:
Мотоцикл на передаче с неубранной подножкой
Мотоцикл на передаче без выжатого сцепления
Мотоцикл на передаче с неубранной подножкой и без выжатого сцепления
Мотоцикл без выжатого переднего тормоза и т.п.

Обычно включается через:
датчик нейтрали, подножки и сцепления на массу через диоды и через кнопку киллсвич, кнопку стартера и замок на плюс

Типовой схемы контроля стартера нет, см. схему конкретного мотоцикла

Чаще всего находится рядом с реле стартера


6. - Реле поворотов

Коробка с тремя или двумя контактами

Подключается одним контактом на плюс, вторым контактом на провод идущий в переключатель поворотов
Если есть третий контакт - на массу

Когда включается поворотник, замыкается цепь:
(плюс)-(реле-переключатель-левой или правой лампы)-(масса)

Через реле идет ток определенной величины, который реле прерывает с необходимой частотой
Если тока нет, реле выключено
Если он слишком мал (перегорела лампа, светодиоды...) реле работает с большей частотой 
Или зажигает лампы на постоянку 
Или не срабатывает вообще

Может сгореть от большого тока

Контрольная лампа поворотов часто включается между плюсами обоих бортов, 
Таким образом получая питание с одного борта, массу получает через лампы другого не зажигая их

Лампы в виде стрелок на приборной панели подключаются как поворотники


7. - Реле

Обычное реле, встречается в мотоциклах не часто

Состоит из катушки, которая, при подаче на нее тока, притягивает якорь, который замыкает контакты

Схема 4х контактного реле:
Контакты питания реле (85 и 86), на них подают ток для включения реле, с остальными не связаны
Общий контакт (30) или (88)
Нормальноразомкнутый контакт (87), замкнется с общим если включить реле или
Нормальнозамкнутый контакт (87), если есть, замкнут с общим при выключенном реле

Реле стартера и контроля стартера имеют идентичный принцип работы простому реле


8. - Датчик нейтрали, подножки, их индикаторы и реле, диоды

Индикатором включенной нейтральной передачи является лампочка зеленого цвета - N
Одним концом лампочка подключена на плюс сети, напряжение на ней появляется при повороте ключа
Другим концом лампа через диод и датчик нейтрали подключается на массу

Датчик представляет собой подпружиненный контакт в диэлектрическом корпусе, который вкручивается в картер
При повороте копирного вала в положение нейтральной передачи, он своим выступом касается контакта датчика
Тем самым замыкая цепь на массу и зажигая лампу
В остальных положениях контакт датчика с деталями двигателя не соприкасается, цепь разорвана - лампа не горит

Диод
Часть системы безопасности, защиты от дурака
Система из двух диодов, датчика нейтрали, реле подножки, датчика подножки и датчика сцепления
Не дают запустить или глушат двигатель в потенциально опасных ситуациях
Например: двигатель заглохнет если откинуть подножку на любой передаче кроме нейтрали
Без диода лампа нейтрали будет загораться при убранной подножке и выжатом сцеплении.
В таком случае двигатель не заведется, нужно включить нейтраль, либо убрать подножку, либо выжать сцепление


9. - Индикатор и датчик давления масла

Система очень похожа на индикацию нейтрали, но датчик нормальнозамкнут

Красная лампа питается от бортсети, массу же берет от датчика
Датчик нажимного действия, по-сути кнопка на которую давит масло при работе маслонасоса

В нажатом состоянии датчик разрывает цепь
При включении зажигания загорается лампа, которая гаснет при запуске движка
Если лампа не гаснет при работающем двигателе, значит давления масла не достаточно
Двигатель нужно срочно заглушить и искать неисправность


10. - Фара

Фары различаются для правостороннего и левостороннего движения
Существует американская система фар, светотеневая граница которой сильно размыта

Фара дальнего света - освещает на большее расстояние, а также обочину, дорожные знаки, и т.п.
Фары ближнего и дальнего света могут быть объединены в одной оптике, так и сделаны раздельно


Противотуманная фара используется для езды в туман, снег, дождь и т.п.

В дождь, снег, туман, ближний свет фар отражается от частиц воды и льда, заставляя их светиться ослепляя водителя
Положение усугубляется при включении дальнего, возникает белое полотно, которое скрывает собой дорогу

Особенность данной фары в очень четкой светотеневой границе и мощном световом потоке в верхней части светового пятна
Туман не подходит вплотную к земле, между дорогой и туманом есть прослойка чистого воздуха, в которую бьет луч
Для этого их располагают ниже основной оптики, мощный пучок света хорошо освещает дорогу и обочину
Благодаря четкой границе, фара не засвечивает туман, снег и дождь, не слепя водителя


Лампа накаливания - источником света является раскаленная вольфрамовая спираль в среде инертных газов

Эффективность - невысока, в настоящее время в головном свете техники не применяется, уступив следующим типам:

Галогенная лампа
Та-же нить накала, в колбу добавлен галоген, пары которого не дают материалу нити испаряться
Тем самым продлевается жизнь лампе и увеличивается температура и светоотдача

Из-за высокой температуры, лампа очень чувствительна к прозрачности оптической системы
Брать лампу пальцами нельзя, на колбе остаются жирные отпечатки, которые пригорают и, в этом месте лампа прогорит
Либо перегреется и сгорит спираль из-за плохого отвода лучистого тепла через колбу
То же самое относится к грязному, затертому стеклу и мутному отражателю.


Газоразрядная металлогалогенная лампа (Ксенон)

Источником света является плазма электрической дуги
Для розжига лампы нужно время (пока не испарится ртуть и прочие прелести) и высокое напряжение
После розжига горение происходит при более низком напряжении, которое, однако, в разы выше бортового
Поэтом для такой лампы нужен пуско-регулирующий аппарат, он же блок розжига
 
Категорически не любит грязь, эффективнее галогенной, имеет и кучу недостатков температуры, времени розжига, цены


Светодиодная LED

Источником света является излучение p-n перехода при протекании через него тока

Что предлагают

"КУКУРУЗА" - дичь, не надо это ставить
Дневной ходовой огонь, ничего осветить не может
Световой поток идет куда угодно, но не куда и как надо
С рефлектором, рассчитанным на спираль в фокусе, этот ужас не работает

LED H4
Наиболее интересные экземпляры со светодиодами, повторяющими размер и расположение нити накаливания в лампе
Современные модели уже светят достойно
Качество сильно зависит от производителей светодиодов
Часто не лезет в фару из-за системы охлаждения
Иногда требуется отдельно ставить блок питания

LED фара
Не лампа, а целый оптический элемент
Имеет свою оптическую систему, заточенную под конкретные диоды, чаще всего линзованные
Дорого стоят, форм-фактор для стандартных круглых 7ми и 5ти дюймовых фар
Замечены проблемы при езеде в туман (китайские изделия)
Эффективность и срок службы диода многократно превышает все остальные типы


Для каждого типа фар предусмотрен свой тип лампы

Не удивляйтесь что воткнув в оптику для ламп накаливания мощный ксенон, вы будете слепить даже самолеты
При этом дорога станет даже темнее, а потом фара расплавится

Не нужно ставить стоваттные галогенки вместо 55, отражатель потемнеет

Так же не стоит лепить доп фары куда попало, генератор и проводка рассчитаны на определенную нагрузку

Фары необходимо мыть и периодически регулировать

 

Видео к этой серии статей будет так-же досупно на моем YouTube канале:
https://www.youtube.com/channel/UCqNeM37xS-FqYlqZZ3ytBXw


Помните, автор не несет ответственности за вашу работу, применяйте навыки с осторожностью и обдуманно!

Сомневаетесь - обращайтесь к специалистам!

 


Комментарии пользователей

Эту новость ещё не комментировалиНаписать комментарий
Анонимам нельзя оставоять комментарии, зарегистрируйтесь!

Контакты Группа ВК Сборник материалов по Cisco, Asterisk, Windows Server, Python и Django, SQL и T-SQL, FreeBSD и LinuxКод обмена баннерами Видео к IT статьям на YoutubeВидео на другие темы Смотреть
Мои друзья: Советы, помощь, инструменты для сис.админа, статическая и динамическая маршрутизация, FreeBSD

© Snakeproject.ru создан в 2013 году.
При копировании материала с сайта - оставьте ссылку.
Весь материал на сайте носит ознакомительный характер,
за его использование другими людьми, автор ответственности не несет.

Рейтинг@Mail.ru
Рейтинг@Mail.ru Яндекс.Метрика





Поддержать автора и проект